荣获ISO9001认证

欢迎访问国产砖码砖专区8080官网

首页 >> 产品展示 >>定位销系列 >> 内螺纹锥角肩型定位销
详细说明

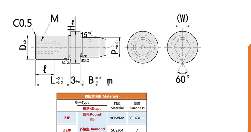
内螺纹锥角肩型定位销

236 (3).jpg

暂无价格
收藏
  • 商品说明

1745393912283349.jpg

1745393913902219.jpg


正辰五金

电话: 0769-85303229

地址:东莞市长安镇乌沙兴三路17号

服务时间:每周一至周六/8:00-17:30


扫一扫联系我们

版权所有 ◎ 2020 国产砖码砖专区8080 Al Rights Reserved.粤ICP备13087574号

友情链接:

×
seo seo